THE BRIEF
The brief was simple: Design winners’ medals that epitomise sporting excellence and promote French culture.
Three talented students are competing for the adoration of the crowds and the chance to have their design manufactured in time for the first medal ceremony in 2024.
Take a look at their designs below and decide whose design best fits the brief and symbolising sporting excellence.
You can head over to our LinkedIn page to vote for your favourite in our poll. Voting closes on July 9th 2024.
The winning medal will be manufactured with SolidCAM on the Pocket NC.
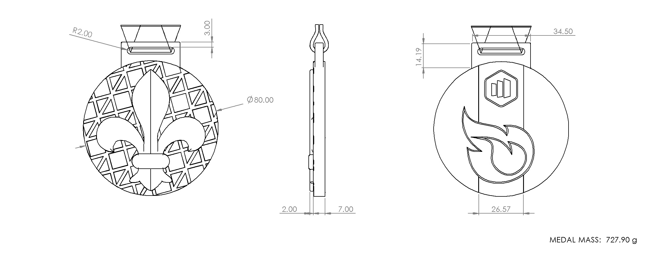
'FLEUR-DE-PARIS' - ADI LAMPERT
MECHATRONIC & ROBOTIC ENGINEERING, University of Sheffield
DESIGN INSPIRATION
The Fleur-De-Lis originated in the 18th century and is the historical coat of arms for France.
“Fleur-De-Lis” translates to “flower of the lily” and has historically been associated with French Royalty.
This symbol of sophistication and grace seems like the most fitting way to crown our athletes as champions.
Such a graceful icon is backed up by a series of struts inspired by the Eiffel Tower, a landmark that will be looking over the athletes as they compete.
On the other side of the medal, an outline of the Flame of Liberty shines onto the logo of the TriMech Group that brings together Solid Solutions and a network of businesses, united in the same way sport brings people together!
The Flame of Liberty in Paris is a perfect copy of the flame in the Statue of Liberty that was gifted to New York in the mid-1800s by the French.
Behind this flame lie 3 distinct faces that evoke the national flag – the Tricolor.
HOW DID YOU DESIGN YOUR MEDAL?
I designed this within SOLIDWORKS, and the symbols were created using the Sketch Picture tool which allowed me to trace an outline of the image with splines.
The spline tool makes complex and organic geometry a breeze to sketch, and to clean up the tracing I used the control polygon and tinkered until I was happy.
Faceted faces on the Fleur-De-Lis were captured using a combination of surfaces and the Cut with Surface tool.
Finally for an organic and polished look, I placed variable fillets around the edge of the symbol and added chamfers to highlight the depth of the design.
Once I finished modelling the design, I added appearances before taking the file into SOLIDWORKS Visualize to render. This made it easier to add the realistic appearances for rendering.
I replaced the generic appearances I added in SOLIDWORKS with the new appearances in SOLIDWORKS Visualize to quickly enhance the realism and added a default environment to light the scene and rendered the model.
Adi returns to the University of Sheffield to complete her Masters in Mechatronic & Robotic Engineering later this year.
Check out more of Adi’s work on her LinkedIn profile.
'THE HIGH CLIMB' - TOM WINFIELD
PRODUCT DESIGN, Aston University
DESIGN INSPIRATION
Sport is nothing without people, without the competitors.
Those competitors drive each other to succeed, to climb higher than ever, and to push the limits of the human body and mind.
My design is inspired by the iconic designs that came out of London in 2012 and focuses on the people who make sporting competitions so entertaining and emotional.
It’s abstract and a bit of fun, but I wanted to include a Parisian influence and the centrality of the Eiffel Tower to Paris gave the perfect opportunity to reflect the importance of people in sport.
Round medals aren’t ‘iconic’, in my opinion, so I opted for hexagons instead, gently curving the shape of the medal’s body like the ancient Greek architects did to their columns.
HOW DID YOU DESIGN YOUR MEDAL?
By making it in SOLIDWORKS it was really easy to make changes as I like to change up my ideas often.
Having the SOLIDWORKS Cloud Services also meant I could manage my project data during my commute on the train, and tweak things with 3D Sculptor if I fancied more organic shapes.
But I settled on this angular, abstract concept, and utilised the skills I’d picked up on the surface modelling training course to create the curved body.
I notice that people often over-complicate their surfacing, so I wanted to be as efficient as possible with two sketches, a surface trim, and a boundary surface.
Once I had the main body, the wrap feature in SOLIDWORKS made short work of embossing & debossing the design onto the curved surface.
After putting it through SOLIDWORKS Visualize, I think you’ll agree it looks pretty mega.
Tom put in a great shift in the Caldicot office this year and heads back to Aston University for his final year of Product Design.
Check out more of his work via his LinkedIn profile.
'FIREWORKS IN PARIS' - KEELY WOODHEAD
PRODUCT DESIGN, Nottingham Trent University
DESIGN INSPIRATION
This medal is a captivating tribute to French culture, elegantly intertwining elements of Parisian heritage, artistic tradition, and culinary delight.
At the heart of the Medal, the Eiffel Tower stands proudly, capturing the essence of the architectural phenomenon.
Surrounding the tower lies delicate patterns inspired by Art Nouveau – their flowing lines and organic forms evoking the movement and freedom felt through sport.
More specifically, the art could be seen as golden wheat sheaves to symbolise the bountiful French countryside and its rich agricultural heritage.
Or perhaps (and maybe more appealing to some!) you see croissants represented by the crescent shapes, evoking the tradition of French Patisserie… Quite fitting when it comes to the classic medal ‘bite’ pose when an athlete stands proudly for the photographer!
While themselves not edible, the medals are crafted from a blend of metals, predominantly silver, to reflect the elegance and sophistication associated with French culture.
Each one has a unique ridged edge to assist identifying them – one ridge for gold, two for silver and three for bronze.
This year’s medal is not merely an award, but a piece of wearable art.
HOW DID YOU DESIGN YOUR MEDAL?
Starting with one of the crescent shapes, this required a range of both solid and surface modelling techniques in SOLIDWORKS.
From split lines and delete face commands to ruled surfaces used as construction geometry, the resulting model comprised around 40 surface bodies which then needed to be knitted together and turned into a solid.
A simple linear pattern of the body then resulted in the repeated pattern, which I then crafted into the medal shape using standard cut and boss extrude features.
SOLIDWORKS Visualize is where the magic happens, and the medal comes to life.
With some simple drag and drops, lighting adjustments, and camera angles, I was able to quickly create realistic images of the medal so we can see what it really will look like when it (hopefully!) gets manufactured.
Keely will soon be returning to Nottingham Trent University to complete her BSc in Product Design.
Check out more of her work via her LinkTree.
CHOOSE YOUR WINNER
Three cracking designs. One tough choice. The pressure is simply too much for us…
So instead, it’s over to you!
Click here to vote for your favourite design and we’ll take you along for the wonderful ride of the manufacturing process over the next couple of months.
Come back regularly to see more sporting SOLIDWORKS content, and learn how it can be used to modify, validate, and communicate designs effectively.
Discover SOLIDWORKS for Startups
Make your design dreams a reality with the SOLIDWORKS for Startups programme that provides new startups with the CAD software, support and guidance to succeed.
Learn more about unlocking your FREE CAD software for a year with the startup programme.